Каталог
Подшипники
Шариковые радиальные и шарико-роликовые подшипники
Подшипники шариковые радиальные однорядные
Подшипники шариковые радиальные однорядные с одной защитной шайбой
Подшипники шариковые радиальные однорядные с канавкой на наружном кольце
Подшипники шариковые радиальные однорядные с двумя защитными шайбами
Подшипники шариковые радиальные однорядные с двухсторонним уплотнением
Подшипники шариковые радиальные однорядные гибкие
Подшипники шариковые радиальные однорядные с выступающим внутренним кольцом с двумя защитными шайбами
Подшипники шариковые радиальные однорядные с канавкой на наружном кольце и с одной защитной шайбой
Подшипники шариковые радиальные однорядные с канавкой на наружном кольце и с двумя защитными шайбами
Подшипники шариковые радиальные двухрядные с двусторонним уплотнением с валиком вместо внутреннего кольца
Подшипники шариковые радиальные однорядные с канавкой на наружном кольце и с двухсторонним уплотнением
Подшипники шариковые радиальные однорядные с упорным бортом на наружном кольце
Подшипники шариковые радиальные однорядные с упорным бортом на наружном кольце и одной защитной шайбой
Подшипники шариковые радиальные однорядные с упорным бортом на наружном кольце и двумя защитными шайбами
Подшипники шариковые радиальные однорядные с выступающим внутренним кольцом с канавкой для комплектования шариками без сепаратора
Подшипники шариковые радиальные однорядные с канавкой для комплектования шариками без сепаратора
Подшипники шариковые радиальные однорядные с выступающим внутренним кольцом, с двумя защитными шайбами, с канавкой для комплектования шариками без сепаратора
Подшипники шариковые радиальные однорядные с двумя уплотнениями с широким внутренним кольцом сферической наружной поверхностью наружного кольца с концентричным стопорным кольцом
Подшипники шариковые радиальные однорядные с двумя уплотнениями со сферической наружной поверхностью наружного кольца с симетричным внутренним кольцом и эксцентричным стопорным кольцом
Подшипники шариковые радиальные однорядные с двумя уплотнениями с широким внутренним кольцом сферической наружной поверхностью наружного кольца на закрепительной втулке
Подшипники шариковые радиальные однорядные с двумя уплотнениями с широким внутренним кольцом со сферической наружной поверхностью наружного кольца с эксцентричным стопорным кольцом
Подшипники шариковые радиальные однорядные с двумя уплотнениями с широким внутренним кольцом сферической наружной поверхностью наружного кольца с установочным винтом во внутреннем кольце
Подшипники шариковые радиальные однорядные с односторонним уплотнением
Шариковые радиальные сферические подшипники
Подшипники шариковые радиальные сферические двухрядные с цилиндрическим отверстием внутреннего кольца
Подшипники шариковые радиальные сферические двухрядные с коническим отверстием внутреннего кольца
Подшипники шариковые радиальные сферические двухрядные с закрепительной втулкой
Подшипники шариковые радиальные двухрядные сферические с двумя защитными шайбами
Подшипники шариковые радиальные однорядные сферические с двумя защитными шайбами
Шариковые радиально-упорные подшипники
Подшипники шариковые радиально-упорные однорядные разъемные со съемным наружным кольцом с углом контакта α=12º
Подшипники шариковые радиально-упорные однорядные неразъемные со скосом на наружном и внутреннем кольцах с углом контакта α=40º
Подшипники шариковые радиально-упорные однорядные неразъемные со скосом на наружном кольце с углом контакта α=12º
Подшипники шариковые радиально-упорные однорядные неразъемные со скосом на наружном кольце с углом контакта α=15º
Подшипники шариковые радиально-упорные однорядные неразъемные со скосом на наружном кольце с углом контакта α=26º
Подшипники шариковые радиально-упорные однорядные неразъемные со скосом на наружном кольце с углом контакта α=36º
Подшипники шариковые радиально-упорные однорядные неразъемные со скосом на внутреннем кольце с углом контакта α=12º
Подшипники шариковые радиально-упорные однорядные неразъемные со скосом на внутреннем кольце с углом контакта α=15º
Подшипники шариковые радиально-упорные однорядные неразъемные со скосом на внутреннем кольце с углом контакта α=26º
Подшипники шариковые радиально-упорные однорядные неразъемные со скосом на внутреннем кольце с углом контакта α=36º
Подшипники шариковые радиально-упорные однорядные разъемные со съемным внутренним кольцом с углом контакта α=12º
Подшипники шариковые радиально-упорные двухрядные
Подшипники шариковые радиально-упорные однорядные с разъемным наружным кольцом с четырехточечным контактом
Подшипники шариковые радиально-упорные однорядные с разъемным внутренним кольцом с трехточечным контактом
Подшипники шариковые радиально-упорные однорядные с разъемным внутренним кольцом с четырехточечным контактом
Подшипники шариковые радиально-упорные сдвоенные, наружные кольца обращены друг к другу широкими торцами, угол контакта α=12º
Подшипники шариковые радиально-упорные сдвоенные, наружные кольца обращены друг к другу широкими торцами, угол контакта α=26º
Подшипники шариковые радиально-упорные сдвоенные, наружные кольца обращены друг к другу широкими торцами, угол контакта α=36º
Подшипники шариковые радиально-упорные сдвоенные, внутренние кольца обращены друг к другу узкими торцами, угол контакта α=15º
Подшипники шариковые радиально-упорные сдвоенные, наружные кольца обращены друг к другу узкими торцами, угол контакта α=12º
Подшипники шариковые радиально-упорные сдвоенные, внутренние кольца обращены друг к другу узкими торцами, угол контакта α=15º
Подшипники шариковые радиально-упорные сдвоенные, наружные кольца обращены друг к другу узкими торцами, угол контакта α=36º
Подшипники шариковые радиально-упорные сдвоенные, внутренние кольца обращены друг к другу широкими торцами, угол контакта α=15º
Подшипники шариковые радиально-упорные сдвоенные, наружные кольца обращены друг к другу разноименными торцами, угол контакта α=12º
Подшипники шариковые радиально-упорные сдвоенные, наружные кольца обращены друг к другу разноименными торцами, угол контакта α=26º
Подшипники шариковые радиально-упорные сдвоенные, наружные кольца обращены друг к другу разноименными торцами, угол контакта α=36º
Подшипники шариковые радиально-упорные сдвоенные, внутренние кольца обращены друг к другу разноименными торцами, угол контакта α=15º
Роликовые радиальные подшипники с короткими цилиндрическими роликами
Подшипники роликовые радиальные с короткими цилиндрическими роликами без бортов на наружном кольце
Подшипники роликовые радиальные с короткими цилиндрическими роликами с однобортовым наружным кольцом
Подшипники роликовые радиальные с короткими цилиндрическими роликами без бортов на внутреннем кольце
Подшипники роликовые радиальные с короткими цилиндрическими роликами с однобортовым внутренним кольцом
Подшипники роликовые радиальные с короткими цилиндрическими роликами с безбортовым внутренним кольцом и фасонным упорным кольцом
Подшипники роликовые радиальные с короткими цилиндрическими роликами с однобортовым внутренним кольцом и фасонным упорным кольцом
Подшипники роликовые радиальные с короткими цилиндрическими роликами с однобортовым внутренним кольцом и с плоским упорным кольцом
Подшипники роликовые радиальные с короткими цилиндрическими роликами с безбортовым наружным кольцом и двумя запорными шайбами
Подшипники роликовые радиальные с короткими цилиндрическими роликами с безбортовым внутренним кольцом и дистанционным кольцом
Подшипники роликовые радиальные двухрядные с короткими цилиндрическими роликами с коническим отверстием внутреннего кольца с бортами на наружном кольце
Подшипники роликовые радиальные двухрядные с короткими цилиндрическими роликами с коническим отверстием внутреннего кольца с бортами на внутреннем кольце
Подшипники роликовые радиальные с короткими цилиндрическими роликами с безбортовым внутренним кольцом и плоским упорным кольцом
Подшипники роликовые радиальные двухрядные с короткими цилиндрическими роликами с цилиндрическим отверстием внутреннего кольца с бортами на наружном кольце
Подшипники роликовые радиальные двухрядные с короткими цилиндрическими роликами с цилиндрическим отверстием внутреннего кольца с бортами на внутреннем кольце
Подшипники роликовые радиальные с короткими цилиндрическими роликами без внутреннего кольца
Подшипники роликовые радиальные с короткими цилиндрическими роликами с безбортовым наружным кольцом и плоским упорным кольцом
Подшипники роликовые радиальные многорядные с короткими цилиндрическими роликами без бортов на внутреннем кольце с плоскими упорными кольцами на наружном кольце
Подшипники роликовые радиальные с короткими цилиндрическими роликами без наружного кольца
список
Роликовые радиальные сферические и радиально-упорные сферические подшипники
Подшипники роликовые радиальные сферические двухрядные с бортиками на внутреннем кольце с цилиндрическим отверстием внутреннего кольца
Подшипники роликовые радиальные сферические двухрядные с закрепительной втулкой
Подшипники роликовые радиальные сферические двухрядные с бортиками на внутреннем кольце с коническим отверстием внутреннего кольца, конусностью 1:12
Подшипники роликовые радиальные сферические двухрядные с цилиндрическим отверстием внутреннего кольца
Подшипники роликовые радиальные сферические двухрядные с бортиками на внутреннем кольце с коническим отверстием внутреннего кольца, конусностью 1:30
Подшипники роликовые радиальные сферические двухрядные с коническим отверстием внутреннего кольца, конусностью 1:12
Подшипники роликовые радиальные сферические двухрядные с коническим отверстием внутреннего кольца, конусностью 1:30
Подшипники роликовые радиальные сферические двухрядные со стяжной втулкой
Роликовые радиальные игольчатые с длинными цилиндрическими роликами
Подшипники роликовые радиальные игольчатые однорядные без внутреннего кольца и без сепаратора
Подшипники роликовые радиальные игольчатые однорядные с наружным и внутренним кольцами без сепаратора
Подшипники роликовые радиальные игольчатые однорядные с наружным и внутренним кольцами с сепаратором
Подшипники роликовые радиальные игольчатые однорядные без внутреннего кольца с сепаратором
Подшипники роликовые радиальные игольчатые однорядные с наружным и внутренним кольцами с сепаратором со вставными бортиками
Подшипники роликовые радиальные игольчатые однорядные без внутреннего кольца с сепаратором со вставными бортиками
Подшипники роликовые игольчатые с наружным кольцом со сквозным отверстием без сепаратора
Подшипники роликовые игольчатые с наружным кольцом со сквозным отверстием без сепаратора (94Х/ХХ)
Подшипники радиальные роликовые игольчатые однорядные без колец
Подшипники роликовые игольчатые с наружным кольцом со сквозным отверстием с сепаратором
Подшипники роликовые игольчатые с наружным кольцом с плоским дном с сепаратором
Подшипники радиальные роликовые игольчатые двухрядные без колец
Шарнирные подшипники
Подшипники шарнирные без отверстий и канавок для смазки
Подшипники шарнирные без отверстий и канавок для смазки (для неподвижных соединений)
Подшипники шарнирные с отверстиями и канавками для смазки во внутреннем кольце
Подшипники шарнирные с отверстиями и канавками для смазки на внутреннем и наружном кольцах
Подшипники шарнирные с отверстиями и канавками для смазки в широком внутреннем кольце
Подшипники шарнирные без отверстий и канавок для смазки с одноразломным наружным кольцом
Подшипники шарнирные с отверстиями и канавками для смазки во внутреннем кольце с одноразломным наружным кольцом
Подшипники шарнирные с отверстиями и канавками для смазки на внутреннем и наружном кольцах с одноразломным наружным кольцом
Подшипники шарнирные с отверстиями и канавками для смазки во внутреннем кольце с двухразломным наружным кольцом
Подшипники шарнирные с отверстиями и канавками для смазки на внутреннем и наружном кольцах с двухразломным наружным кольцом
Подшипники шарнирные с отверстиями и канавками для смазки на наружном кольце с двухразломным наружным кольцом
Подшипники шарнирные без наружного кольца с отверстиями и канавками для смазки на внутреннем кольце
Подшипники шарнирные с отверстиями и канавками для смазки на внутреннем и наружном кольцах закрытого типа
Роликовые конические подшипники
Подшипники роликовые конические однорядные
Подшипники роликовые конические однорядные с большим углом конуса
Подшипники роликовые конические однорядные повышенной грузоподъемности
Подшипники роликовые конические однорядные повышенной грузоподъемности с большим углом конуса
Подшипники роликовые конические однорядные повышенной грузоподъемности с упорным бортом на наружном кольце
Подшипники роликовые конические четырехрядные
Подшипники роликовые конические двухрядные
Шариковые упорные и упорно-радиальные подшипники
Подшипники упорные шариковые одинарные
Подшипники упорные шариковые одинарные со свободным самоустанавливающимся кольцом и подкладным кольцом
Подшипники упорные шариковые одинарные со свободным самоустанавливающимся кольцом без подкладного кольца
Подшипники упорные шариковые двойные
Подшипники шариковые упорно-радиальные одинарные, угол контакта α=60º
Подшипники шариковые упорно-радиальные двухрядные с углом контакта 60º
Роликовые упорные и упорно-радиальные подшипники
Подшипники упорные с цилиндрическими роликами одинарные однорядные
Подшипники упорные роликовые конические одинарные
Подшипники упорно-радиальные роликовые сферические одинарные
Подшипники упорные с цилиндрическими роликами одинарные двухрядные
Подшипники упорные с короткими цилиндрическими роликами однорядные без колец
Подшипники упорные одинарные с игольчатыми роликами без колец
Корпус
Корпус SNL 500
Корпус SN500
Корпус SN600
Корпус SNG500
Корпус SN200
Корпус SN300
Корпус S3000k
Корпус SN3000/SN3001
Корпус SAF505-516/SAF609-613
Корпус 722505-722513
Корпус 722515-722522
Корпус FCM500
Корпус SAF500
Корпус SAF600
Корпус SD3000
Корпус SD3100
Корпус SNL3100
Корпус SD500
Корпус SD600
Корпус CSD3100
Подшипниковые узлы
Подшипниковый узел UCP200
Подшипниковый узел UCP300
Подшипниковый узел UCF200
Подшипниковый узел UCF300
Подшипниковый узел UCT 200
Подшипниковый узел UCT 300
Подшипниковый узел UCFL 200
Подшипниковый узел UCFL 300
Подшипниковый узел UCFC 200
Подшипниковый узел UCPA 200
Подшипниковый узел UCPH 200
Подшипниковый узел UCFB 200
Подшипниковый узел UCFS 300
Комплектующие
Кольца
Концентрические стопорные кольца
Эксцентрические стопорные кольца
Упорные фасонные кольца
Кольца пружинные упорные плоские наружные концентрические
Кольца пружинные упорные плоские внутренние концентрические
Кольца пружинные упорные плоские наружные эксцентрические
Кольца пружинные упорные плоские внутренние эксцентрические
Сальники
ГНБ
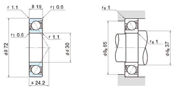
Подшипник 7306A DT NSK
Главная / Подшипники NSK / Подшипники NSK

Характеристики подшипника 7306A DT NSK
| Параметр | Обозначение | Значение | Единицы |
|---|---|---|---|
| Внутренний диаметр подшипника | d | 30 | мм |
| Наружный диаметр подшипника | D | 72 | мм |
| Ширина подшипника | b | 19 | мм |
| Радиус монтажной фаски подшипника | r | 1,1 | мм |
| Масса подшипника | m | 0,346 |
кг |

